电路识图---点动电路原理及电路中元器的作用
电路识图---点动电路原理及电路中元器的作用
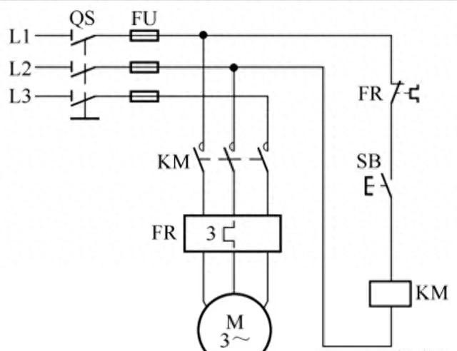
下图电路图为手动控制电路图,也叫点动控制电路图:

要识图,首先得认识图中的符号代表的元器件是什么意思,只有认识了元器件,了解了元器件的功能作用、才能更好的理解电路图的原理,只有懂了电路图原理,才能准确快速的查找故障。下面就请让我一一道来,有说的不到位的地方,请大家多多指教,开始了......
1、认识符号及其功能作用
① L1、L2、L3:表示三相电源;
L1、L2、L3都是火线,其中相与相之间的电压叫线电压,为380V,即是L1L2、L1L3、L2L3之间电压都为380V;
②QS:表示电源开关,也叫隔离开关,可以不频繁的接通和分断低压供电线路;
③FU:表示熔断器,俗名保险;
作用:短路保护或严重过载保护;
④KM:接触器;
作用:主要用来自动接通或断开电路的电器;
⑤FR:热继电器:
作用:是一种过载保护电器,主要用于电动机过载保护;
⑥M:三相交流异步电机;
作用:产生驱动转矩,作为用电器或各种机械的动力源。
⑦SB:按钮;
作用:一种靠外力接通或分断电流的电气元件,不能直接用于控制电气设备,只能用来发出“指令”;
2、电路图中分为主电路和控制电路。
其中:主电路的作用是传递电能;控制电路的作用是控制主电路的运行;
如下图,左侧为主电路,右侧为控制电路:

3、电路工作原理分析如下:
当合上电源空开QS,按下按钮SB,控制电路接触器线圈KM得电,电路走向即是L1→QS→FU→FR→SB→KM→FU→L2;
主电路接触器三相主触头KM闭合,三相异步电动机通入三相电源,电机启动,电路走向即是KM→FR→M;
松开按钮SB,接触器KM线圈失电,三相接触器主触头断开,电机停止运转。
4、用途
点动控制电路简单,维护方便,常用于机床工作台的快速移动,建筑工地的材料定位等。
#热继电器的基础知识#
关于熔断器,不得不知的一些事
-
- 底裤都输没了!溃败尼克斯!火箭东征1胜5负,打入季后赛成笑谈
-
2026-04-03 19:49:44
-
- 成都双流区:打造共享单车管理示范街
-
2026-04-03 19:47:30
-
- NBA交易截止日预测
-
2026-04-03 19:45:15
-
- 7张照片告诉你戒酒以后人的变化,男人女人都有,值得学习
-
2026-04-03 19:43:01
-
- 伊藤润二《漩涡》推出动画!日本恐怖经典让人又怕又想看
-
2026-04-03 19:40:47
-
- 小规模纳税人年开票不宜超过500万,多少最合适?
-
2026-04-03 19:38:33
-
- 小编教你如何在海南租到理想的房子过冬
-
2026-04-03 19:36:18
-
- 深圳至怀化,G6068次列车耗时最长,走长沙方向
-
2026-04-03 19:34:04
-
- 三明:山水之城,人文之乡
-
2026-04-03 19:31:50
-
- 润博教育无证无资质招生培训 昌乐教育局称已被取缔
-
2026-04-03 19:29:35
-
- 燃爆!马自达玩转敞篷跑车新花样!
-
2026-04-03 19:27:21
-
- 普京誓言“血债血偿”:幕后凶手难逃法网
-
2026-04-03 19:25:07
-
- 耐心的本质:不是毅力而是长远的目光
-
2026-04-03 19:22:52
-
- 考生注意!长春市今年中考时间确定
-
2026-04-03 19:20:38
-
- 军运会招募5万名赛会志愿者,快来军运会官网报名吧
-
2026-04-03 19:18:24
-
- 「乐拍12周年庆-收官之夜」嗨购乐拍,超值返利!一爱到底,乐拍懂你
-
2026-04-03 03:35:33
-
- 淄博市张店区:婚姻登记数据已实现数字化、智慧化
-
2026-04-03 03:33:19
-
- 真实坦诚的孙怡,自爆聚会酒醉在小区草丛酣睡,引起关注和讨论!
-
2026-04-03 03:31:05
-
- 湘阴县地图 湖南省岳阳市湘阴县 长株潭都市圈
-
2026-04-03 03:28:51
-
- 饕餮和貔貅都是吃货,为什么一个成凶兽,一个却是吉祥的象征呢?
-
2026-04-03 03:26:36



好看的快穿小说推荐!女生超爱的好文
害死郭靖黄蓉的凶手吕文德:却衣食无忧、子孙满堂,活到倚天时代