战车的形制演变——从兴盛到消亡的古兵器(三)
战车的形制演变——从兴盛到消亡的古兵器(三)
关于战车的讨论一直是古兵器爱好者的热点领域,其原因大概是因为战车构造复杂,反映了当时的最高军事科技水平,颇能撩动爱好者的心弦。在战车起源、传承、消亡等重要问题上争议颇多,且这种争议往往夹杂了很多学派甚至民族之间的纷争。而由于战车主体以木结构为主,考古留存较少,很多细节都是推测甚至猜测居多,这也侧面上助长了争论甚嚣尘上。
战车是个大坑,有很多有意思的点可以介绍,比如:夏时是否有战车?商车与国外西方之车是否同源?中国战车与外国战车孰优孰劣?(写到这里,我的耳边仿佛听到了很多争吵的声音……)但我们今天先从简单入手,探讨一下战车自商至秦的形制演变。
我们首先了解一下战车的基本结构和主要部件名称,为后续阅读作准备。战车结构较为复杂,部件很多,很多古籍上对这些部件的叫法与今天不同。为了方便阅读,建议大家作一名“半字先生”,可以只读偏旁“车”之外的部分。不知道大家注意到没有,这些部件大多都是“车”字偏旁,而不是通常以材质造字的“金”字偏旁或“木”字偏旁。这说明这些部件基本只用于车,且造字之时是先有完整的车部件,然后造字名之。也正因如此,有部分学者认为殷商时期的战车并非“国产自创”而是“舶来品”,是与西方交流引进的先进工具,或至少是受西方影响的结果。

▲战车各部件名称(一)

▲战车各部件名称(二)
02
我们看一下商、西周、东周至秦,四个阶段典型战车结构,研究一下结构变化的规律和趋势。这一部分不用复原图,只用出土时的素描图,以避免现在常见的复原图谬误。

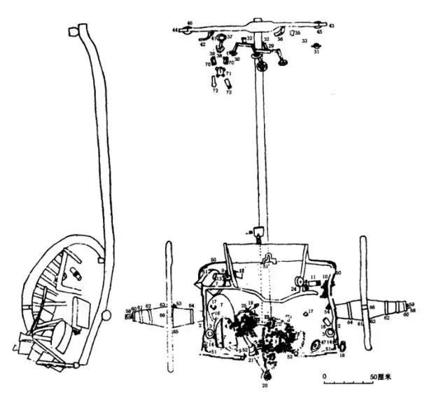
▲晚商·安阳郭家庄马车出土图

▲西周·长安张家坡车马出土图

▲东周·河南淮阳马鞍冢车马出土图
从三个不同时期的文物出土图来看,我们可以比较清楚的看出战车的基本结构和部件没有发生太大变化。主要部件如“舆”(车厢)、“轮”、“辀”(车辕)、“衡”(横,连接辀与车轭的横木)、“轭”(连接马颈与衡的倒Y型部件)的形状结构都是一致的。这些主要部件是车最重要的组成部分,在80年代的农村仍然使用的马车,其主要部件结构与几千年前的商周时期也基本一致,不得不叫人赞叹这一结构的科学性和强大的生命力。
非常明显的差异是驾车的马匹数量。在商代,战车基本由两匹马拉拽,而到了周代后最常见的是“两服”、“两骖”的四马配置。马匹增加,最容易想到的原因和结果是“马力”增加。但不知道大家注意到没有,战车的“衡”的长度是小于四匹马的宽度的,也就是说,两侧的“骖”马是不驾辕的,不承受战车向下的重力。这是为什么?如果为了增加马力,为什么不延长“衡”的长度,叫四匹马都负重使力?这个问题在学界也有很多论述,后面我会说一下自己的猜测,敬请大家关注,大家也可以说一下自己的看法。
另外一个不看实物不太容易发现的差异就是尺寸的变化。出土图中都有比例尺,我们可以看到晚商战车轨距(两轮间距)大约为215-240厘米,“轮辐”数量在16-20个之间,以18个居多,“辀”(车辕)直径大约8-10厘米,车辕长度250-270厘米。西周尺寸大约类似。战国时期战车轨距在208厘米左右,“轮辐”数量有32个之多,“辀”直径11厘米,车辕长度290-340厘米。秦时战车规矩在190厘米左右,“轮辐”30个,车辕长度达到350-396厘米。
03
通过上述出土文物的分析,我们可以看出,自商至秦,车轨缩小了,轮辐增多了,车辕变粗且变长了。出现这种变化的原因可能主要是从灵活性和稳定性两方面考虑。当车轨缩小后,战车的转弯半径就会变小,在复杂多变的战场上就能更灵巧的转弯,灵活性增加,生存率就会增加,战斗力就会增加。轮辐增多和车辕变粗,都是出于增强稳定性考虑。在战车当中,两者都是承力最大的部位。值得思考的是车辕变长了,变长的车辕与灵活性的要求应该说是背道而驰的,但是越长的车辕越能减少车辆的起伏颠簸,提升了车辆的通过性。车轨的缩小与车辕的延长同步,古人在长期的战争实践中,逐渐摸索出来了一个较为适宜的比值,实现灵活性与平稳性的均衡。
©历史真相解密大全原创投稿,未经允许禁止转载!
作者:灵犀老师
-
- 格力犬和格惠犬猎兔各有千秋(回叼训练法)
-
2024-07-13 05:51:52
-
- 钢琴王子李云迪的坠落史
-
2024-07-13 05:49:37
-
- 大连啤酒这么多,一种很多人没见过,一种大连人自己都害怕!
-
2024-07-12 21:33:35
-
- 重温《三生三世》瑶光敢肆无忌惮掳走司音,其实是墨渊给的底气
-
2024-07-12 21:31:20
-
- 中国道家秘术“九字真言”,现今还有多少人知道?
-
2024-07-12 21:29:06
-
- 六小龄童被大规模批判,质疑人品,背后原因竟和周星驰有关?
-
2024-07-12 21:26:51
-
- 粉丝怒斥,古力娜扎陷舆论风波,疑因代言游戏低俗涉赌
-
2024-07-12 21:24:36
-
- 长水城中谷水长
-
2024-07-12 21:22:22
-
- 一战结束后的“金法郎”一案导致我国损失上亿
-
2024-07-12 21:20:07
-
- 翟小川踹飞对手,黑料再次被扒,裁判秉公执法,广东意外之喜
-
2024-07-12 21:17:52
-
- 快递一直收?熊孩子清空父亲购物车,送价值7万的七夕礼物给母亲
-
2024-07-12 21:15:37
-
- 侯耀文一顶绿帽戴三年!郭德纲前师娘弃夫“投奔”姜昆搭档戴志诚
-
2024-07-12 21:13:22
-
- 推荐十部豆瓣高分美剧,题材宽泛,众多大尺度黄暴剧在列
-
2024-07-12 13:10:45
-
- 童年噩梦,月饼里的青红丝到底是啥?
-
2024-07-12 13:08:30
-
- 盘点“奶量十足”九个妹子,其中纲手的太小,只排第三
-
2024-07-12 13:06:16
-
- 俄罗斯的图160,诠释了老一辈也能有不比新生代逊色的极致性能
-
2024-07-12 13:04:01
-
- 身家过亿的大老板, 演戏不为钱只因个人爱好, 多次合作张嘉译走红
-
2024-07-12 13:01:46
-
- 涉黑涉恶!玉林警方公开征集以李奎为首的犯罪团伙违法犯罪线索→
-
2024-07-12 12:59:31
-
- 欧阳锋有俩女儿,大女儿是和林朝英丫鬟所生,二女儿是和黄蓉所生
-
2024-07-12 12:57:17
-
- 军婚甜宠文前世,她被渣男贱女所害,这一世,她只想做好秦太太
-
2024-07-12 12:55:02



抖音牛逼姐和她男朋友视频什么瓜抖音nb姐吃瓜视频事件完整版
刚开荤的男生是不是收不住?亲身经历